
|
編號 |
通光孔徑(mm) |
重量(g) |
|
NBET-ES050 |
Ø5 |
113 |
|
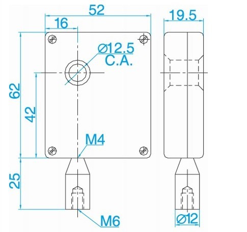
NBET-ES125 |
Ø12.5 |
155 |
|
NBET-ES200 |
Ø20 |
235 |



特點:
寬時間范圍高的線性;
多種工作方式循環定時,B門、T門等;
可以通過RS232或USB連接電腦,定時脈沖控制負載;
手動、TTL和無線遙控觸發;
可三個快門同時工作;
應用:
可用在光路中,通過快門的開關實現對曝光時間的精確控制。它可以廣泛用于科研、光學試驗、醫療等方面。
精密電子定時器
精密電子定時器可用在光路中,通過多種方式控制快門的開關狀態,實現對曝光時間的精確控制。精密電子定時器采用智能電路,定時精度高,時間的溫度穩定性好,工作可靠。液晶顯示和觸摸按鍵的使用可以方便、準確地設置定時時間,多種工作方式包括循環定時、B門、T門等。并有手動、無線遙控、TTL三種觸發方式。并可通過RS232或USB接口與計算機相連接,由計算機發送ASCII碼命令序列給定時器來控制快門的開關狀態。附帶的軟件能提供友好的可視界面,穩定靈活的定時設置和計數顯示。可以選擇B門(按下觸發按鈕“開”,松開觸發按鈕“關”)、T門(按一下觸發按鈕“開”,再按一次觸發按鈕“關”)或手動工作方式。附帶的演示程序可以指導用戶把定時功能集成到自己開發的系統中。該定時器可帶動三個快門或其它負載同時工作,廣泛應用于科研、光學試驗、生產過程控制等方面。電子快門的大通光孔徑為Φ20
* 定時器時間控制范圍(Time Range of Controller ): 1ms to 27hours
* 定時精確度(Timing Accuracy):1ms
* 電源(Power Supply):AC220V 0.8A
* 快門工作電壓(Operating Voltage of Shutter): DC12V
* 快門工作電流(Operating Current of Shutter): <200mA
* 驅動負載數量(Quantity of Driving Loads): 3路 Three
* 計算機連接方式接口(Connect Port with Computer): USB and RS232
* 定時設置方式(Timing Setting Modes): 面板按鍵設置(Key-press)、軟件設置(Software Settings)
* 開關控制方式(On-off Control Modes): 自動循環(Auto-cycle)、B門(B Mode)、T門(T Mode)
* 觸發方式(Trigger Modes):手動(Manual)、無線遙控觸發(Remote Triggering)、TTL觸發(TTL Triggering)
* 無線遙控器有效距離(Effective Range of Remote Controller):10m
* 外觸發器的線長(Length of External Trigger):90cm
* TTL輸入控制線線長(Length of TTL Input Control Wire):60cm
|
型號 |
電源電壓 |
大輸出電壓 |
外形尺寸 (W×H×L)(mm) |
重量 |
|
NBT-K10 |
AC220V 0.8A |
12V |
164×81×153 |
975 |
友情鏈接: